WHS蝸輪蝸桿減速機

WHS圓弧齒蝸輪蝸桿減速機是采用軸截面為圓弧形的圓柱蝸桿,蝸輪齒形與蝸桿相共軛的圓弧微型減速機,由于蝸輪與蝸桿是凸凹嚙合,在嚙合區的絕大部分綜合曲率半徑大,因而降低了齒面應力,增加了齒面強度,提高了承載能力。同時該齒形合理地減薄了蝸桿齒厚,增加了蝸輪齒板厚,因而蝸輪齒板抗彎強度增大,傳遞能力增大,還有接觸線與圓周速度夾角絕大部分在40°~90°之間,容易形成液體潤滑,齒面間摩擦系數小. 弧齒圓柱蝸輪減速機符合部頒標準JB2318-79,達到標準化、系列化的要求。適用于冶金、礦山、起重、運輸、化工、建筑等各種機械設備的減速傳動。本系列圓弧齒蝸輪減速機輸入功率范圍在0.4-163KW之間;輸入扭矩在11-2600kgf·m之間,輸入軸轉數一般不大于1500轉/分;高速軸可正反兩向運轉;工作環境溫度低于0℃時,起動前潤滑油必須加溫到0℃以上.
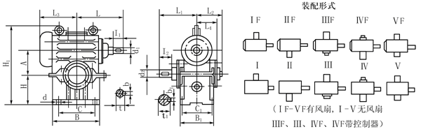
WHS圓弧齒蝸輪蝸桿減速機安裝型式及尺寸:


WHT、WHX、WHS、WHC圓弧齒蝸輪蝸桿減速機輸入功率:
減速機輸入功率
WHT、WHX、WHS、WHC圓弧齒蝸輪蝸桿減速機輸出轉矩:

上一篇: WHT圓弧齒蝸輪蝸桿減速機
下一篇: WHC圓弧齒蝸輪蝸桿減速機
